SKU: BROQR120KIT1
Brio Quick Run 120 Top Track 3000mm Surface Mount Kit QR120KIT1
RRP: $377.68
Payments accepted:
Couldn't load pickup availability
There was an error loading products. Please try again.
Payments accepted:
Couldn't load pickup availability
Brio Quick Run 120 Top Track 3000mm Surface Mount Kit
QR120KIT1
PLEASE NOTE: Track System Only (we don't sell doors)
PLEASE NOTE: This item is Non-returnable. Upon placing your order, it CAN'T be cancelled or returned (unless faulty or damaged)
Top Track Sliding Door is incredibly popular because they are stylish and efficient as space-saving doors for separating rooms or partitioning huge work spaces in homes and offices.
Top Track Sliding Door Function - doors have rollers attached at the top, you lift them up and place them in the track. The guide on the floor then keeps the door in line as you slide it from one side to the other. Both doors are offset and slide, so one is in front of the other.
- Widely used in internal residential and commercial applications.
- To accommodate different building designs, panels can slide to one or both sides.
Kit Includes:
- 1 x Brio Quick Run 120 Top Track 3000mm Anodised Aluminum (120F-A30)
- 8 x Brio Brackets with Fasteners For Single Run Top Hung Panel (91)
- 1 x Brio 57JNP Hanger Surface Fix 120KG Sold as a Pair (57JNP)
- 1 x Brio 101N Floor Mounted Sawcut Guide Nylon (101N)
Brio Quick Run 120 Top Track 3000mm Anodised Aluminum
120F-A30
Specifications:
- Material Aluminium
- Length: 3000mm
- Finish: Clear Anodised
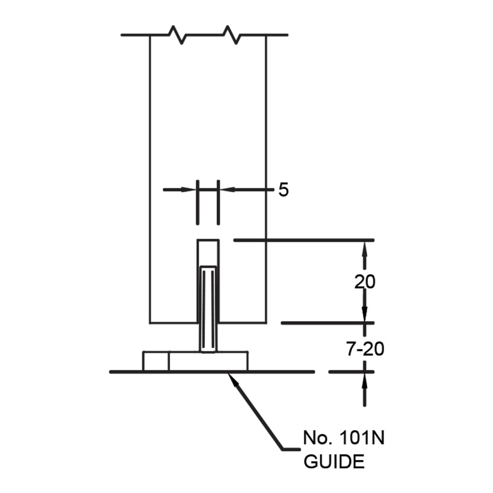
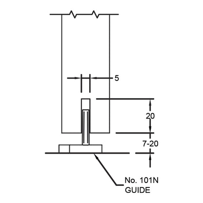
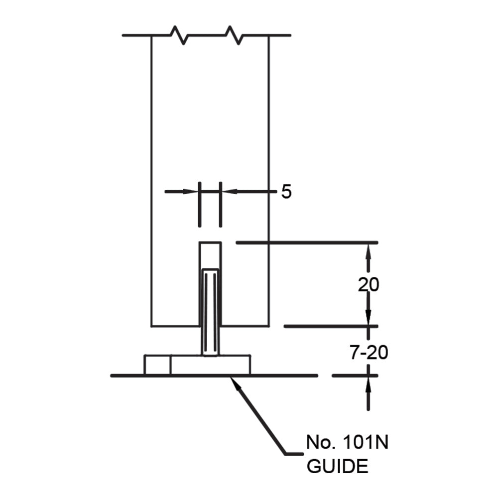
Brio Floor Mounted Sawcut Guide Nylon
101N
Features:
- Designed to slide through a 20mm deep by 5mm wide saw cut in the bottom rail of the panel
- Fitted on the floor at the edge of the opening in the overlap area
- Has lateral adjustment
Brio Hanger Surface Fix
57JNP
Features:
- Quick fix plate to panel
- Easy auto lock attachment to hanger bolt
Brio Bracket with Fasteners For Single Run Top Hung Panel
91
Features:
- Face fitted stainless steel, angle
- For Wall Fixing Track
- Fit at 400mm maximum centres
Brio Quick Run 120 Top Track 3000mm Surface Mount Kit
QR120KIT1
PLEASE NOTE: Track System Only (we don't sell doors)
PLEASE NOTE: This item is Non-returnable. Upon placing your order, it CAN'T be cancelled or returned (unless faulty or damaged)
Top Track Sliding Door is incredibly popular because they are stylish and efficient as space-saving doors for separating rooms or partitioning huge work spaces in homes and offices.
Top Track Sliding Door Function - doors have rollers attached at the top, you lift them up and place them in the track. The guide on the floor then keeps the door in line as you slide it from one side to the other. Both doors are offset and slide, so one is in front of the other.
- Widely used in internal residential and commercial applications.
- To accommodate different building designs, panels can slide to one or both sides.
Kit Includes:
- 1 x Brio Quick Run 120 Top Track 3000mm Anodised Aluminum (120F-A30)
- 8 x Brio Brackets with Fasteners For Single Run Top Hung Panel (91)
- 1 x Brio 57JNP Hanger Surface Fix 120KG Sold as a Pair (57JNP)
- 1 x Brio 101N Floor Mounted Sawcut Guide Nylon (101N)
Brio Quick Run 120 Top Track 3000mm Anodised Aluminum
120F-A30
Specifications:
- Material Aluminium
- Length: 3000mm
- Finish: Clear Anodised
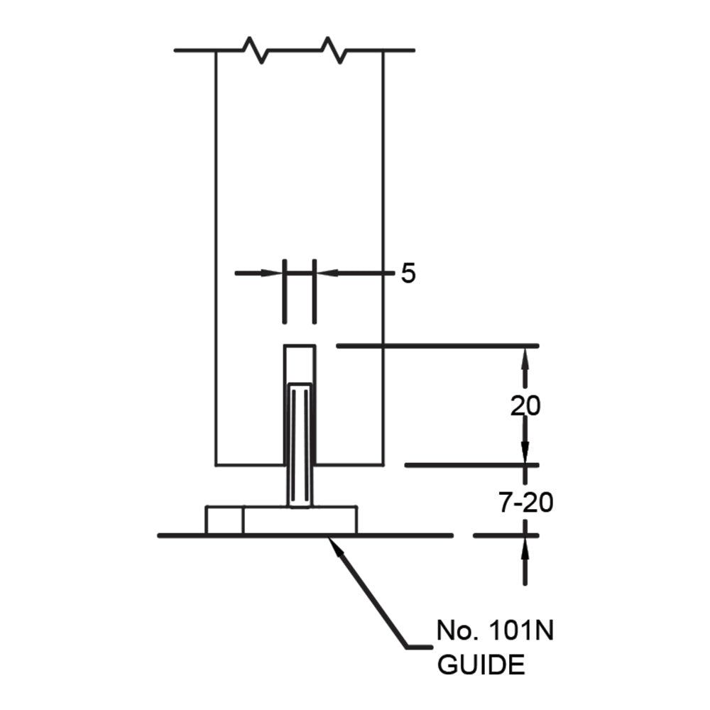
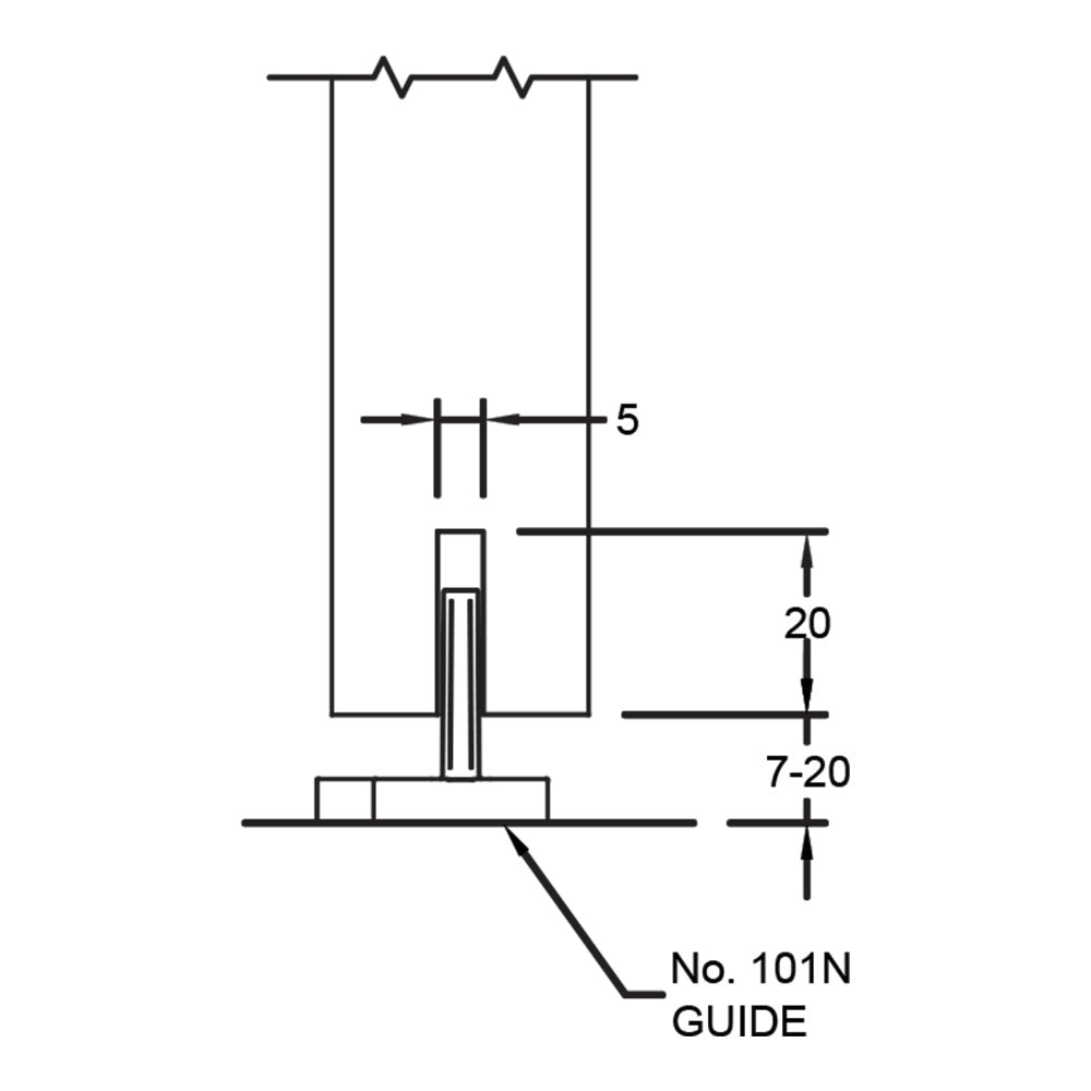
Brio Floor Mounted Sawcut Guide Nylon
101N
Features:
- Designed to slide through a 20mm deep by 5mm wide saw cut in the bottom rail of the panel
- Fitted on the floor at the edge of the opening in the overlap area
- Has lateral adjustment
Brio Hanger Surface Fix
57JNP
Features:
- Quick fix plate to panel
- Easy auto lock attachment to hanger bolt
Brio Bracket with Fasteners For Single Run Top Hung Panel
91
Features:
- Face fitted stainless steel, angle
- For Wall Fixing Track
- Fit at 400mm maximum centres




